
技术知识
时间继电器控制三相异步电动机的能耗分析

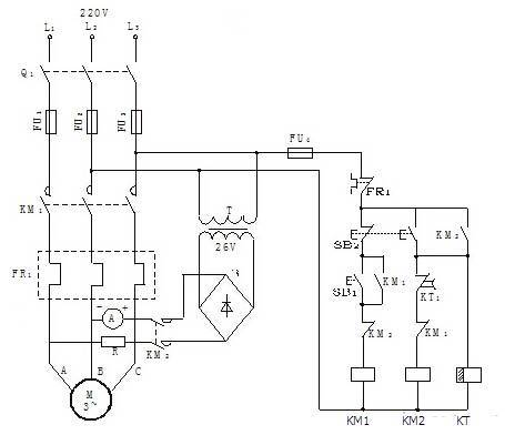
东莞电机上图是时间继电器控制的交流电动机能耗制动控制线路图。
三相异步电动机的能耗制动是在电动机定子绕组交流电源被切断后,在定于两相绕组间加进直流电源,产生一个恒定磁场,利用惯性转动的转子切割其磁力线所产生的转子电流在磁场中受力,从而产生制动力矩使电动机快速地停车。
在东莞电机上图中,控制线路中,SB1用于起动,SB2用于制动,KM2为制动用接触器。若在电动机正在运行时,按下SB2,KM1断电,切除交流运行电源。制动接触器KM2及时间继电器KT1得电,KM2得电自锁使直流电接入主回路进行能耗制,KT1得电开始计时。当速度接近零时,延时时间到,KT1的延时动断触点打开,KM2失电,主回路中KM2主触点打开,切断直流电源,制动结束。
标签:  电机 东莞电机 三相异步电动机 节能电机

